留言板

尊敬的读者、作者、审稿人, 关于本刊的投稿、审稿、编辑和出版的任何问题, 您可以本页添加留言。我们将尽快给您答复。谢谢您的支持!

姓名
邮箱
手机号码
标题
留言内容
验证码

海口超轻质火山灰软黏土成因及物理力学性质研究

谢书领 谢林汐 翟凤艳 王影 杨永康

谢书领, 谢林汐, 翟凤艳, 王影, 杨永康. 海口超轻质火山灰软黏土成因及物理力学性质研究[J]. 岩土工程技术, 2024, 38(6): 740-744. doi: 10.3969/j.issn.1007-2993.2024.06.015
引用本文: 谢书领, 谢林汐, 翟凤艳, 王影, 杨永康. 海口超轻质火山灰软黏土成因及物理力学性质研究[J]. 岩土工程技术, 2024, 38(6): 740-744. doi: 10.3969/j.issn.1007-2993.2024.06.015
Xie Shuling, Xie Linxi, Zhai Fengyan, Wang Ying, Yang Yongkang. Origin and Physical-Mechanical Properties Study of Haikou Ultra-Lightweight Volcanic Ash Soft Clay[J]. GEOTECHNICAL ENGINEERING TECHNIQUE, 2024, 38(6): 740-744. doi: 10.3969/j.issn.1007-2993.2024.06.015
Citation: Xie Shuling, Xie Linxi, Zhai Fengyan, Wang Ying, Yang Yongkang. Origin and Physical-Mechanical Properties Study of Haikou Ultra-Lightweight Volcanic Ash Soft Clay[J]. GEOTECHNICAL ENGINEERING TECHNIQUE, 2024, 38(6): 740-744. doi: 10.3969/j.issn.1007-2993.2024.06.015

海口超轻质火山灰软黏土成因及物理力学性质研究

doi: 10.3969/j.issn.1007-2993.2024.06.015
详细信息
    作者简介:

    谢书领,男,1965年生,汉族,河南杞县人,大学本科,正高级工程师,主要从事岩土工程、水工环地质方面的工作。E-mail:swyt8@126.com

  • 中图分类号: TU41

Origin and Physical-Mechanical Properties Study of Haikou Ultra-Lightweight Volcanic Ash Soft Clay

  • 摘要: 结合海南岛某建设工程场地岩土工程勘察成果,总结了琼北地区高阶地及火山岩台地局部分布的火山灰沉积土岩土参数特异性,探讨该类型特殊土岩土工程特性。通过现场钻探、标准贯入试验、波速测试及室内土物理力学试验、光释光测试、X荧光半定量全分析及矿物X射线衍射分析等,探讨其沉积成因、时代,提出基本工程特性参数建议值,为该类型土利用和地基处理提供依据,减少工程风险发生。

     

  • 图  1  超轻质火山灰软黏土水平层理

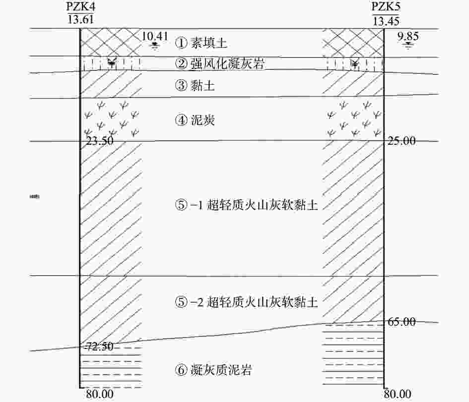
    图  2  典型工程地质剖面图

    图  3  软黏土水平层理面

    图  4  保存完整的树叶印痕

    图  5  超轻质火山灰软土絮状结构

    表  1  海口超轻质火山灰软土主要化学组分表 % 

    元素SiO2TCAl2O3TFeCaO
    最大值60.5420.1011.879.1822.28
    最小值43.5714.606.803.970.97
    平均值56.2618.179.597.285.28
    下载: 导出CSV

    表  2  矿物X射线衍射分析结果统计表含量 % 

    矿 物石英斜长石方解石文石白云石石盐赤铁矿黏土矿物
    最大值39.84.42.219.752.85.649.6
    最小值23.52.40.51.81.120.51.636.6
    平均值33.83.661.27.212.571.42.444.9
    下载: 导出CSV

    表  3  超轻质火山灰软黏土颗粒分析数据统计表

    统计
    项目
    含量/% 烧失量
    Wu/%
    2~0.5 mm 0.5~
    0.25 mm
    0.25~
    0.075 mm
    0.075~
    0.005 mm
    <0.005 mm
    含量 0.0~1.8 0.5~2.1 1.0~2.8 34.0~35.9 60.7~62.6 14.9~23.3
    平均 0.9 1.2 1.8 34.6 61.5 19.8
    下载: 导出CSV

    表  4  土室内物理性质试验数据统计成果表

    数据 w/% ρ/(g·cm−3 ρd/(g·cm−3 e wL/% wp/% IP/% IL/%
    最大值 256.8 1.90 0.88 7.23 158.8 122.3 57.9 9.8
    最小值 98.7 1.12 0.31 2.14 49.1 18.2 9.5 1.1
    平均值 156.6 1.30 0.55 4.32 96.5 63.3 33.2 3.0
    下载: 导出CSV

    表  5  标准贯入试验成果实测击数

    样本数最大值/击最小值/击平均值/击标准差变异系数
    2801625.92.160.414
    下载: 导出CSV

    表  6  标准固结试验压缩指标统计表

    数据统计a1-2/MPa−1Es1-2/MPa
    最大值6.633.69
    最小值0.221.21
    平均值3.032.39
    下载: 导出CSV

    表  7  超轻质火山灰软黏土单孔剪切波速统计表

    钻孔剪切波速当量值/(m·s−1标准差变异系数
    最大值最小值平均值
    243.5231.1238.63.8860.016
    下载: 导出CSV

    表  8  土抗剪强度指标统计表

    统计指标 UU CU(有效应力) 直接快剪
    cUU/kPa φUU/(°) cCU′/kPa φCU′/(°) c/kPa φ/(°)
    最大值 40.23 1.91 84.90 36.50 40.00 13.51
    最小值 21.69 1.22 23.90 8.20 15.19 3.40
    平均值 30.19 1.49 46.53 21.37 23.36 6.82
    标准值 25.74 1.28 28.12 13.66 21.60 5.48
    样本数 10 10 6 6 26 26
    下载: 导出CSV

    表  9  无侧限抗压强度及灵敏度统计表

    指标最小值/kPa最大值/kPa平均值/kPa标准差标准值
    原状土qu/kPa46.877.355.959.550.7
    重塑土qu/kPa16.219.517.981.1817.33
    灵敏度St4.05.44.55
    下载: 导出CSV

    表  10  超固结比统计表

    数据统计最小值最大值平均值固结状态
    OCR=pc/p00.410.890.62欠固结
    下载: 导出CSV
  • [1] 顾宝和. 岩土工程典型案例述评[M]. 北京:中国建筑工业出版社, 2015.
    [2] 李建忠. 真空堆载联合预压法加固码头堆场火山灰软基效果分析[J]. 水运工程, 2023, 608(3): 165-172.
    [3] 顾巨红, 宁峥嵘, 刘 瑜. 真空预压法处理火山灰质淤泥试验研究与应用[J]. 施工技术, 2018, 47( 24 ): 125-129.
    [4] 王军桥. 印度尼西亚万隆地区火山灰沉积软土工程地质特征研究[J]. 铁道勘察, 2017, 43(6): 50-52.
    [5] GB 50123—2019 土工试验方法标准[S].
    [6] GB 50007—2011 建筑地基基础设计规范[S].
    [7] GB/T 50145—2007 土的工程分类标准[S].
    [8] GB 50021—2001 岩土工程勘察规范[S].
    [9] 化建新, 郑建国. 工程地质手册(第五版)[M]. 北京: 中国建筑工业出版社, 2018.
  • 加载中
图(5) / 表(10)
计量
  • 文章访问数:  159
  • HTML全文浏览量:  54
  • PDF下载量:  20
  • 被引次数: 0
出版历程
  • 收稿日期:  2023-08-15
  • 修回日期:  2024-04-30
  • 录用日期:  2024-05-09
  • 刊出日期:  2024-12-06

目录

    /

    返回文章
    返回