留言板

尊敬的读者、作者、审稿人, 关于本刊的投稿、审稿、编辑和出版的任何问题, 您可以本页添加留言。我们将尽快给您答复。谢谢您的支持!

姓名
邮箱
手机号码
标题
留言内容
验证码

碱性添加剂改性煤矸石注浆充填材料性能研究

王家乐 冯博 王学安 周玥

王家乐, 冯博, 王学安, 周玥. 碱性添加剂改性煤矸石注浆充填材料性能研究[J]. 岩土工程技术, 2025, 39(6): 930-938. doi: 10.20265/j.cnki.issn.1007-2993.2024-0355
引用本文: 王家乐, 冯博, 王学安, 周玥. 碱性添加剂改性煤矸石注浆充填材料性能研究[J]. 岩土工程技术, 2025, 39(6): 930-938. doi: 10.20265/j.cnki.issn.1007-2993.2024-0355
Wang Jiale, Feng Bo, Wang Xuean, Zhou Yue. Properties of coal gangue grouting filling material modified by alkaline additives[J]. GEOTECHNICAL ENGINEERING TECHNIQUE, 2025, 39(6): 930-938. doi: 10.20265/j.cnki.issn.1007-2993.2024-0355
Citation: Wang Jiale, Feng Bo, Wang Xuean, Zhou Yue. Properties of coal gangue grouting filling material modified by alkaline additives[J]. GEOTECHNICAL ENGINEERING TECHNIQUE, 2025, 39(6): 930-938. doi: 10.20265/j.cnki.issn.1007-2993.2024-0355

碱性添加剂改性煤矸石注浆充填材料性能研究

doi: 10.20265/j.cnki.issn.1007-2993.2024-0355
基金项目: 中煤科工西安研究院(集团)有限公司基金
详细信息
    作者简介:

    王家乐,男,1995年生,在读博士研究生,主要从事矿山新材料研究。E-mail:857663643@qq.com

  • 中图分类号: TU52;TD849

Properties of coal gangue grouting filling material modified by alkaline additives

  • 摘要: 针对煤矿开采引起的地层破坏与塌陷问题,将煤矸石作为矿用充填材料回填不仅可以实现煤矸石的规模化处理,也可实现采空区的绿色高效治理。本研究基于煤矸石这一主要原料,采用碱性添加剂改性以制备煤矸石注浆充填材料。从黏度、析水率、结石率、凝结时间及力学性能分析其充填性能,并以XRD、TG-DSC、FT-IR、SEM解析其微观性质。结果表明注浆充填材料通过生成C-S-H凝胶及C-(N)-A-S-H凝胶产生胶结性能。激发剂的增加可有效促进煤矸石的二次水化,增加凝胶产物的生成。当煤矸石掺量为70%,激发剂掺量为30%,水灰质量比为0.7时,注浆充填材料综合性能最好,但黏度较大,不利于长距离泵送。当煤矸石掺量为80%,激发剂掺量为20%,水灰质量比在1.0时,浆料具有较好的泵送性能,且体积稳定性和力学性能较好,可降低成本,实现绿色低碳充填。

     

  • 图  1  析水率影响因素的敏感度分析

    图  2  不同时间段煤矸石注浆充填材料的黏度值

    图  3  黏度值影响因素的敏感度分析

    图  4  初凝时间影响因素的敏感度分析

    图  5  抗折强度的影响因素敏感度分析

    图  6  抗压强度的影响因素敏感度分析

    图  7  煤矸石注浆充填材料28 d水化产物XRD图谱

    图  8  煤矸石注浆充填材料的TG-DTG分析

    图  9  煤矸石注浆充填材料的FT-IR分析

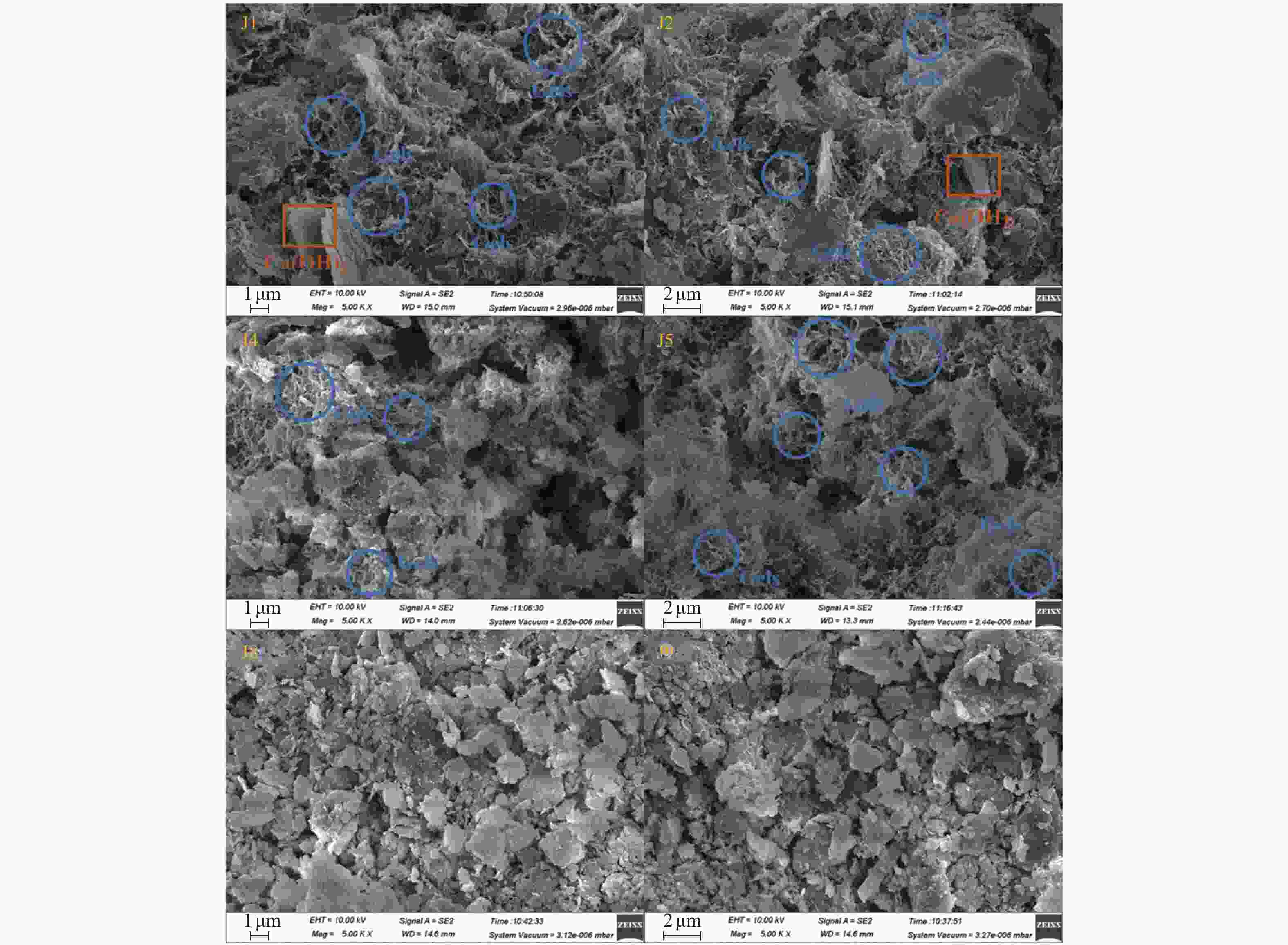
    图  10  煤矸石注浆充填材料的SEM形貌图

    图  11  煤矸石注浆充填材料的接触角分析

    表  1  煤矸石注浆充填材料的因素与水平

    因素煤矸石/%水灰质量比激发剂/%减水剂/%
    1700.7300.2
    2801.020
    3901.310
    下载: 导出CSV

    表  2  煤矸石注浆充填材料的正交试验

    实验煤矸石水灰质量比激发剂
    1700.730
    2701.030
    3701.330
    4800.720
    5801.020
    6801.320
    7900.710
    8901.010
    9901.310
    下载: 导出CSV

    表  3  煤矸石注浆充填材料的析水率

    实验煤矸石水灰质量比激发剂析水率/%
    1700.7300
    2701.0300.81
    3701.3303.47
    4800.7200
    5801.0200.74
    6801.3203.15
    7900.7100
    8901.0100.69
    9901.3103.04
    下载: 导出CSV

    表  4  煤矸石注浆充填材料析水率的极差分析

    指标煤矸石/%水灰质量比
    k11.4270.000
    k21.2970.747
    k31.2433.220
    R0.1843.220
    下载: 导出CSV

    表  5  煤矸石注浆充填材料的黏度

    试验煤矸石水灰质量比激发剂黏度/ (mMPa·s)
    1700.7303476
    2701.030473.1
    3701.330349.6
    4800.7203921
    5801.020555.4
    6801.320365.8
    7900.7103177
    8901.010473.1
    9901.310261.8
    下载: 导出CSV

    表  6  煤矸石注浆充填材料黏度试验结果的极差分析

    指标煤矸石/%水灰质量比
    k11432.9003524.677
    k21614.067500.533
    k31303.967325.733
    R310.1003198.934
    下载: 导出CSV

    表  7  煤矸石注浆充填材料初凝时间

    试验煤矸石/%水灰质量比激发剂/%初凝时间/ min
    1700.730320
    2701.030475
    3701.330549
    4800.720273
    5801.020455
    6801.320615
    7900.710246
    8901.010490
    9901.310818
    下载: 导出CSV

    表  8  煤矸石注浆充填材料初凝时间的极差分析

    指标 煤矸石/% 水灰质量比
    k1 448.000 279.667
    k2 447.667 473.333
    k3 518.000 660.667
    R 70.333 381.000
    下载: 导出CSV

    表  9  煤矸石注浆充填材料在不同龄期下的抗折强度

    试验 煤矸石/% 水灰质量比 激发剂/% 抗折强度/MPa
    3 d 7 d 28 d
    1 70 0.7 30 0 0.7 1.0
    2 70 1.0 30 0 0.4 0.7
    3 70 1.3 30 0 0.3 0.4
    4 80 0.7 20 0 0.5 0.9
    5 80 1.0 20 0 0.6 0.7
    6 80 1.3 20 0 0.2 0.7
    7 90 0.7 10 0 0.3 0.7
    8 90 1.0 10 0 0 0.3
    9 90 1.3 10 0 0 0.1
    下载: 导出CSV

    表  10  煤矸石注浆充填材料抗折强度极差分析

    7 d 28 d
    指标 煤矸石/% 水灰质量比 指标 煤矸石/% 水灰质量比
    k1 0.467 0.500 k1 0.700 0.867
    k2 0.433 0.333 k2 0.767 0.567
    k3 0.100 0.167 k3 0.367 0.400
    R 0.367 0.333 R 0.400 0.467
    下载: 导出CSV

    表  11  煤矸石注浆充填材料在不同龄期下的抗压强度

    试验 煤矸石/% 水灰质量比 激发剂/% 抗折强度/MPa
    3 d 7 d 28 d
    1 70 0.7 30 0 3.0 3.7
    2 70 1.0 30 0 2.2 2.5
    3 70 1.3 30 0 0.6 1.1
    4 80 0.7 20 0 2.5 3.3
    5 80 1.0 20 0 0.5 0.6
    6 80 1.3 20 0 0.3 0.5
    7 90 0.7 10 0 0.3 0.6
    8 90 1.0 10 0 0 0.2
    9 90 1.3 10 0 0 0.1
    下载: 导出CSV

    表  12  煤矸石注浆充填材料抗压强度的极差分析

    7 d 28 d
    指标 煤矸石/% 水灰质量比 指标 煤矸石/% 水灰质量比
    k1 1.933 1.933 k1 2.433 2.533
    k2 1.100 0.900 k2 1.467 1.100
    k3 0.100 0.300 k3 0.300 0.567
    R 1.833 1.633 R 2.133 1.966
    下载: 导出CSV
  • [1] GUO L Z, ZHOU M, WANG X Y, et al. Preparation of coal gangue-slag-fly ash geopolymer grouting materials[J]. Construction and Building Materials, 2022, 328: 126997. doi: 10.1016/j.conbuildmat.2022.126997
    [2] WANG S B, LUO K L, WANG X, et al. Estimate of sulfur, arsenic, mercury, fluorine emissions due to spontaneous combustion of coal gangue: an important part of Chinese emission inventories[J]. Environmental Pollution, 2016, 209: 107-113. doi: 10.1016/j.envpol.2015.11.026
    [3] LI J Y, WANG J M. Comprehensive utilization and environmental risks of coal gangue: a review[J]. Journal of Cleaner Production, 2019, 239: 117946. doi: 10.1016/j.jclepro.2019.117946
    [4] WANG X L, WU J M, MA Q S, et al. Iron conversion and ammonium salt calcination whitening process and mechanism of pre-calcined coal gangue[J]. Chemical Engineering Science, 2024, 287: 119802. doi: 10.1016/j.ces.2024.119802
    [5] CAO Z, CAO Y D, DONG H J, et al. Effect of calcination condition on the microstructure and pozzolanic activity of calcined coal gangue[J]. International Journal of Mineral Processing, 2016, 146: 23-28. doi: 10.1016/j.minpro.2015.11.008
    [6] LI D X, SONG X Y, GONG C C, et al. Research on cementitious behavior and mechanism of pozzolanic cement with coal gangue[J]. Cement and Concrete Research, 2006, 36(9): 1752-1759. doi: 10.1016/j.cemconres.2004.11.004
    [7] LI C, WAN J H, SUN H H, et al. Investigation on the activation of coal gangue by a new compound method[J]. Journal of Hazardous Materials, 2010, 179(1/3): 515-520.
    [8] 朱 磊, 古文哲, 袁超峰, 等. 煤矸石浆体充填技术应用与展望[J]. 煤炭科学技术, 2024, 52(4): 93-104. (ZHU L, GU W Z, YUAN C F, et al. Application and prospect of coal gangue slurry filling technology[J]. Coal Science and Technology, 2024, 52(4): 93-104. (in Chinese)

    ZHU L, GU W Z, YUAN C F, et al. Application and prospect of coal gangue slurry filling technology[J]. Coal Science and Technology, 2024, 52(4): 93-104.
    [9] 梁卫国, 郭凤岐, 于永军, 等. 煤矸石井下原位智能分选充填技术研究进展[J]. 煤炭科学技术, 2024, 52(4): 12-17. (LIANG W G, GUO F Q, YU Y J, et al. Research progress on in-situ intelligent sorting and filling technology of coal gangue underground[J] Coal Science and Technology, 2024, 52(4): 12-17. (in Chinese)

    LIANG W G, GUO F Q, YU Y J, et al. Research progress on in-situ intelligent sorting and filling technology of coal gangue underground[J] Coal Science and Technology, 2024, 52(4): 12-17. (in Chinese)
    [10] SHEN L L, LAI W A, ZHANG J X, et al. Mechanical properties and micro characterization of coal slime water-based cementitious material-gangue filling: a novel method for co-treatment of mining waste[J]. Construction and Building Materials, 2023, 408: 133747. doi: 10.1016/j.conbuildmat.2023.133747
    [11] MA D, DUAN H Y, LIU J F, et al. The role of gangue on the mitigation of mining-induced hazards and environmental pollution: an experimental investigation[J]. Science of the Total Environment, 2019, 664: 436-448. doi: 10.1016/j.scitotenv.2019.02.059
    [12] LI H J, SUN H H, XIAO X J, et al. Mechanical properties of gangue-containing aluminosilicate based cementitious materials[J]. Journal of University of Science and Technology Beijing, Mineral, Metallurgy, Material, 2006, 13(2): 183-189. doi: 10.1016/S1005-8850(06)60040-6
    [13] CHEN S J, DU Z W, ZHANG Z, et al. Effects of chloride on the early mechanical properties and microstructure of gangue-cemented paste backfill[J]. Construction and Building Materials, 2020, 235: 117504. doi: 10.1016/j.conbuildmat.2019.117504
    [14] 王小勇, 王照明, 许海龙, 等. 水泥–粉煤灰胶结矸石充填材料的流变特性与固结机理[J]. 有色金属工程, 2024, 14(6): 134-143. (WANG X Y, WANG Z M, XU H L, et al. Rheological properties and consolidation mechanism of cement-fly ash cemented gangue backfill material[J] Nonferrous Metal Engineering, 2024, 14(6): 134-143. (in Chinese)

    WANG X Y, WANG Z M, XU H L, et al. Rheological properties and consolidation mechanism of cement-fly ash cemented gangue backfill material[J] Nonferrous Metal Engineering, 2024, 14(6): 134-143. (in Chinese)
    [15] 李晓磊, 杜献杰, 冯国瑞, 等. 水泥–粉煤灰基矸石胶结充填体破坏特征及强度形成机制[J]. 煤炭科学技术, 2024, 52(5): 36-45. (LI X L, DU X J, FENG G R, et al. Failure characteristics and strength formation mechanism of cement-fly ash based cemented gangue backfill[J] Coal Science and Technology, 2024, 52(5): 36-45. (in Chinese)

    LI X L, DU X J, FENG G R, et al. Failure characteristics and strength formation mechanism of cement-fly ash based cemented gangue backfill[J] Coal Science and Technology, 2024, 52(5): 36-45. (in Chinese)
    [16] MOUSSADIK A, SAADI M, DIOURI A. Chemical, mineralogical and thermal characterization of a composite alkali-activated binder based on coal gangue and fly ash[J]. Materials Today: Proceedings, 2022, 58(4): 1452-1458.
    [17] MOGHADAM M J, AJALLOEIAN R, HAJIANNIA A. Preparation and application of alkali-activated materials based on waste glass and coal gangue: a review[J]. Construction and Building Materials, 2019, 221: 84-98. doi: 10.1016/j.conbuildmat.2019.06.071
    [18] ZHANG Y L, LING T C. Reactivity activation of waste coal gangue and its impact on the properties of cement-based materials–a review[J]. Construction and Building Materials, 2020, 234: 117424. doi: 10.1016/j.conbuildmat.2019.117424
  • 加载中
图(11) / 表(12)
计量
  • 文章访问数:  102
  • HTML全文浏览量:  54
  • PDF下载量:  7
  • 被引次数: 0
出版历程
  • 收稿日期:  2024-08-01
  • 修回日期:  2024-11-22
  • 录用日期:  2025-04-09
  • 网络出版日期:  2025-12-08
  • 刊出日期:  2025-12-08

目录

    /

    返回文章
    返回