Current Issue

2025, Volume 39,  Issue 5

2025, 39(5): 1-1.
Abstract:
2025, 39(5): 1-3.
Abstract:
Review and Prospect
Geological problems and countermeasures of deep-buried long tunnels in major water transfer projects in China
Si Fu’an
2025, 39(5): 633-638. doi: 10.20265/j.cnki.issn.1007-2993.2024-0570
Abstract:
The investigation of deeply-buried long tunnels is currently a world-class challenge encountered in engineering construction. This article introduces the development history and current status of China’s major water transfer projects, and analyzes the significant engineering geological problems faced during the construction of deep-buried long tunnels, such as large deformations in soft rocks, water inrushes with muddy debris, high external water pressure, rock bursts, and toxic and harmful gases etc. In response to the theoretical, technical, and environmental constraints currently faced in the exploration of deep-buried long tunnels, the article proposes countermeasures such as conducting thorough preliminary exploration work, avoiding geological risks as much as possible through scheme comparison and selection, selecting appropriate construction methods, establishing geological risk mitigation plans in advance, conducting advanced geological predictions during the construction period, and promptly addressing any issues discovered.
Technology Development and Innovation
Prediction of river embankment deformation during pipe jacking based on machine learning
Xu Hao, Liao Mingxin, Bian Shihai, Jiang Jianliang, Li Aodian, Xu Binfeng, Luo Weijin
2025, 39(5): 639-647. doi: 10.20265/j.cnki.issn.1007-2993.2024-0287
Abstract:
Pipe jacking has a significant impact on the stability of river embankments due to its small working surface and high stacking load. The early prediction of river embankment deformation is of great significance for safe construction. The Complete Ensemble Empirical Mode Decomposition with Adaptive Noise (CEEMDAN) method was employed to decompose the nonlinear and unstable monitoring data into trend and periodic terms, and an intelligent prediction model (CTG) suitable for river embankment deformation was proposed. The model used a polynomial function to predict the trend item, and a time convolution network-gated recurrent unit hybrid model combined with a particle swarm optimization algorithm (i.e., PSO-TCN-GRU algorithm) was used to predict the periodic term. It was found that the intelligent algorithm proposed is superior to other classical neural network prediction methods, and has a certain promotional value, which can provide reference for the deformation prediction of similar projects. In addition, it is suggested that data decomposition and feature extraction should be carried out before monitoring data prediction, which is conducive to improving the prediction results of the model.
Improved adaptive exponential smoothing method and its application evaluation in excavation deformation prediction
Yan Junsong, Shi Quanbin, Liu Rubing
2025, 39(5): 648-655. doi: 10.20265/j.cnki.issn.1007-2993.2024-0168
Abstract:
Reliable prediction of excavation deformation contributes to improved construction safety. The existing adaptive exponential smoothing method has been improved by abandoning the traditional approach of solving for the optimal smoothing coefficient α through exhaustive search. Instead, mean squared error (MSE) was used as the loss function, and the gradient expressions of MSE with respect to α for single, double, and triple exponential smoothing models were derived. Subsequently, the gradient descent method is applied to solve for the optimal α value. Compared to the original method, the improved method demonstrates comparable performance in optimal model selection and coefficient optimization, and significantly enhances optimization efficiency with appropriate hyper-parameter (especially learning rate) settings. Based on the application to 1900 sets of excavation deformation sequences, the applicability and reliability of the improved adaptive exponential smoothing method in deformation prediction have been systematically evaluated, and the effects of prediction step size and training sequence length on prediction performance have been explored. Consequently, an optimized scheme for excavation deformation prediction is proposed.
Stratigraphic classification prediction method for static cone penetrate test based on XGBoost and Bayesian optimization
Xian Tianlang, Li Xiaohu, Zhang Yun, Huang Jinlong, Chen Gan
2025, 39(5): 656-666. doi: 10.20265/j.cnki.issn.1007-2993.2024-0165
Abstract:
Stratigraphic classification and soil type identification are the basis for the application of static cone penetrate test results. To achieve accurate stratigraphic classification based on static cone penetrate test data, a prediction method based on eXtreme Gradient Boosting (XGBoost) and Bayesian optimization (BO) was proposed. Using the XGBoost method, a dataset is constructed based on the static cone penetrate test data of a project in South China, the hyperparameters of the XGBoost model were optimised using Bayesian optimisation, and the optimal XGBoost model was constructed to classify and predict the stratigraphic categories. The classification prediction accuracies of the constructed XGBoost model on the training set and the test set are 100% and 96.46%, respectively. The prediction accuracies of the Bayesian-optimised support vector machine (SVM), k-nearest neighbor (KNN) and random forest (RF) models on the test set are 93.34%, 92.99% and 95.89%, respectively, which are lower than those of the XGBoost, proving the superior prediction performances of the XGBoost model. The constructed XGBoost model was used to predict the stratigraphic classification of two boreholes in a geotechnical engineering exploration project in South China, and the prediction accuracy reaches more than 95%, which indicates that the model has a very reliable application value for the stratigraphic classification of static cone penetrate test in the actual geotechnical engineering exploration practice.
Engineering Practice and Application
Stability of deep foundation pit anchored by thick accumulation in high intensity earthquake area
Du Zhaomeng, Liu Tianxiang, Wu Yunlin, Lei Hang, Li Chao, Yuan Wen
2025, 39(5): 667-673. doi: 10.20265/j.cnki.issn.1007-2993.2024-0092
Abstract:
The stability of anchor foundation pit is the main control factor affecting the safety of suspension-bridge engineering. A suspension-bridge in Sichuan is located in a high-intensity earthquake area, which anchorage foundation pit is located in thick accumulation. The maximum slope height of the foundation pit slope is 110 meters. Taking the anchorage foundation pit project as an example, research is conducted on the long-term stability of a foundation pit over 100 meters deep on a thick accumulation. By conducting in-situ density tests, on-site shear tests, and deformation tests, the strength and deformation characteristics of the foundation pit soil were studied, and the physical and mechanical parameters of the foundation pit soil were obtained. The application of finite difference software for seismic simulation calculation of anchor foundation pit shows that deep accumulation foundation pit is prone to deformation and even sliding instability and failure under strong earthquakes. The maximum displacement of the slope is about 20 m, and the thickness of the slope instability range is about 15~23 m. Based on this, the two-level requirements for bridge foundation pit protection and comprehensive treatment measures of excavation pre-reinforcement, step-by-step excavation, and zoning protection are proposed. The dynamic and time-historical analysis method was used to verify the stability of the foundation pit under this treatment measure. The results show that the maximum displacement of the reinforced slope after 30 seconds of Wenchuan earthquake wave input was only 0.223 m. The monitoring data for 36 consecutive months after the excavation and support of the foundation pit show that the maximum displacement of the slope was less than 9.05 mm, which was basically consistent with the numerical calculation results, verifying the effectiveness of the reinforcement measures and numerical calculation methods.
Design of large ring support system in soft soil area of Ningbo
Ye Wei, Tang Bin, Cheng Yichong, An Ran, Wu Caide, Gong Dikuai
2025, 39(5): 674-679. doi: 10.20265/j.cnki.issn.1007-2993.2024-0170
Abstract:
The design of the support system of the deep foundation pit in the soft soil area is directly related to the safety and efficiency of the project. In the design of a deep and large foundation pit support in the soft soil area of Ningbo, the horizontal support adopts a super-large circular concrete support with a diameter of 180 m, and the vertical support uses the static drilling rooted pile as the column pile, which realizes the prefabrication of the factory. Compared with the conventional foundation pit support system, the innovative support system can reduce the support coverage area by up to 20%, and greatly reduce the impact of the support on the construction operation under the premise of ensuring the safety of the foundation pit. The application of special column pile greatly reduces the project cost. The comparative analysis of the numerical simulation results and the engineering measurement results shows that the three-dimensional finite element method can reasonably predict the deformation of the super-large diameter annular brace foundation pit, and the super-large diameter annular brace can meet the deformation control requirements of deep and large foundation pits in soft soil areas.
Application of inclined chair pile-anchor support technology for slope
Yi Yufeng
2025, 39(5): 680-687. doi: 10.20265/j.cnki.issn.1007-2993.2024-0164
Abstract:
Due to space limitations, a slope project in Guiyang requires vertical excavation. Because the slope is adjacent to the original water plant buildings and structures, the slope deformation needs to be strictly controlled. Therefore, the inclined chair pile-anchor support system was proposed. Through numerical simulation, the stability of the slope after supporting, the displacement control during construction, and the stress characteristics of the support structure were discussed. The results show that the supporting system has reasonable stress and a good deformation control effect. The monitoring results show that the maximum cumulative displacement of each measuring point of the slope section is in a small range, the deformation is gradually stable, the inclinometer curve tends to converge, and the field treatment measures have obvious effects. After the completion of the slope project of the Eastern Water Plant, the operation status was good. On the premise of ensuring the site space, it effectively protected the safety of the existing water plant at the top of the slope. The inclined chair pile anchor support scheme adopted can be used as a reference for similar projects.
Influence of deep-buried shield tunneling construction undercrossing existing railways
Wu Shisong, Yu Miao, Lu Yonggang
2025, 39(5): 688-692. doi: 10.20265/j.cnki.issn.1007-2993.2024-0210
Abstract:
The number of cross-project constructions where new subway lines undercross existing railways using shield tunneling is increasing with the urban comprehensive transportation construction. Previous studies have analyzed the impact of shield tunneling on railway deformation through numerical simulation and on-site monitoring, with tunnel depths generally below 20 m. Due to the time-space effect during tunnel construction, the influence of tunneling at depths exceeding 20 m on railway deformation characteristics remains unclear. This research takes the example of a highway shield tunnel undercrossing the Beijing-Guangzhou Railway in Wuhan city and uses automated monitoring methods to analyze the influence of deep-buried shield tunneling construction on the settlement of existing railway tracks, subgrades, and the inclination of the railway catenary system. The study revealed that for deep-buried shield tunneling construction, the deformations of the railway subgrades, tracks, and overhead contact system have a certain lag. The settlement troughs of the railway tracks and subgrades exhibit a V-shaped or U-shaped pattern, with an affected width of approximately 75 m, which is significantly larger than that of ordinary shallow-buried shield tunnels. The research findings can provide data support and reference for similar deep-buried shield tunneling projects that undercross existing railways.
Discussion on vertical bearing capacity of soft rock socketed pile in Chongqing area
Hou Junwei, Zuo Libing, Xu Wenteng, Li Yangqiu
2025, 39(5): 693-698. doi: 10.20265/j.cnki.issn.1007-2993.2024-0310
Abstract:
Combined with the engineering example of soft rock socketed pile in a high-rise building, the vertical bearing capacity of a single pile determined by rock uniaxial compressive strength test, in-situ plate load test, and single pile static load test was compared and analyzed. The results show that the standard value of the vertical ultimate bearing capacity of a single pile determined by the plate load test method is 1.51 times that of the rock uniaxial compressive strength method. According to the current local standard safety factor K, the characteristic value of the bearing capacity of a single pile determined by the plate load test has not been improved; The characteristic value of single pile bearing capacity obtained by the single pile static load method is 3.12 times that obtained by the rock uniaxial compressive strength method. According to the analysis results, the bearing capacity of a single pile determined by the rock uniaxial compressive strength method is conservative, and it is suggested to consider the influence of the confining pressure constraint effect. When the rock foundation load test method is used for calculation, it is suggested to adjust the value of the Chongqing local standard safety factor K.
Mechanics and deformation characteristics of bored pile and rotary jet grouting pile composite structure for tunnel in water-rich stratum
Song Haishan, Li Zhuyan, Ding Chunfu, Li Liyun
2025, 39(5): 699-708. doi: 10.20265/j.cnki.issn.1007-2993.2024-0336
Abstract:
To explore the applicability of the "bored pile+jet grouting pile" composite structure in the construction of PBA tunnel and reveal its mechanical effect, based on the engineering example of the underground excavation section of Dongsanlu Station to Tiantongyuan East Station of Beijing Rail Transit Line 13, the numerical simulation of the whole construction process of PBA tunnel under the support of the composite structure in confined water rich strata was carried out. The internal force and deformation of the composite structure under the key construction steps and the influence of its construction process on the surface settlement and formation of the plastic zone were analyzed, and the effects of pile diameter, pile insertion ratio, and pile interlocking on its mechanical performance were discussed. The results show that: (1) The construction stage of the composite structure has little effect on the surface settlement trough and formation plastic zone; (2) The composite structure mainly appears horizontal lateral displacement towards the inner side of the tunnel during the construction of the tunnel. The overall lateral displacement is in the form of a quadratic curve along the depth direction. The maximum lateral displacement occurs in the middle of the jet grouting pile and the upper part of the bored pile, and the lateral displacement below the bottom plate is small; (3) After the excavation of the main tunnel, the axial forces of bored piles and jet grouting piles are evenly distributed in the free section of the excavation of the main tunnel, the axial forces and bending moments are sharply reduced below the bottom plate, and the maximum axial forces and bending moments are located near the bottom plate.
Reconstruct mechanical performance of double layered tunnel with large cross section
Zhou Zongqing, Huang Linxiang, Lei Mingfeng, Yue Changcheng, Qiu Dapeng, Chen Yunjuan
2025, 39(5): 709-715. doi: 10.20265/j.cnki.issn.1007-2993.2024-0338
Abstract:
With the continuous growth of the economy, some existing tunnels are no longer able to meet the current transportation needs. To ensure smooth and safe traffic, it is necessary to carry out reasonable renovation and expansion projects on the tunnel. This research is based on the ABAQUS finite element software to establish a three-dimensional model of the tunnel surrounding rock lining. The excavation process of the tunnel was simulated using the life and death element method. The stress-strain cloud map of the surrounding rock and the distribution characteristics of the plastic zone of the lining were obtained for each step, and the results before and after were compared and analyzed. The weak stress areas of the tunnel structure were determined, and the mechanical behavior of the structure during the excavation process was predicted in advance. The results revealed that the construction process adopted in this project is safe and reasonable, the tunnel structure performs well in mechanical properties, and the safety and economy of the project are guaranteed.
Influence of blasting construction of small spacing tunnel on dynamic response of cavity tunnel
Huang Xiaoming, Wang Huan, He Yanfang, Zeng Zhuo, Xue Yuyang, Xie Zhuoxiong, Wang Bo
2025, 39(5): 716-723. doi: 10.20265/j.cnki.issn.1007-2993.2024-0344
Abstract:
Based on the reconstruction and expansion project of the existing Danjiashao tunnel, and considering the actual distribution law of the defects after the lining of the existing tunnel, the influence of different distribution positions and sizes of the cavities behind the lining on the response law of structural blasting vibration under various surrounding rock conditions was studied. The results show that the influence of the cavity behind the lining on the vibration response of the existing tunnel lining is different under different distribution positions, various sizes, and surrounding rock conditions. From the analysis of the distribution position of the cavity, the amplification effect of the cavity behind the vault lining on the vibration velocity and stress is greater than that of the arch waist cavity; from the analysis of the distribution size of the cavity, the larger the cavity is, the greater the amplification effect on the vibration velocity is, and the amplification effect on the stress is the opposite. From the analysis of the existence of voids behind the lining under different surrounding rock levels, the worse the surrounding rock (the higher the surrounding rock level), the more significant the amplification effect of the cavity on the vibration velocity and stress. The comprehensive analysis suggests that when the vibration velocity is used as the safety control reference value of the adjacent cavity tunnel during the blasting construction of the new tunnel, the vibration velocity control value at the cavity should be appropriately reduced according to the location, size, and surrounding rock condition of the cavity.
Suitability of highway bridge foundation in karst breccia canyon slope
Gong Daoping, Fang Qiang, Hu Huihua, Wang Si
2025, 39(5): 724-730. doi: 10.20265/j.cnki.issn.1007-2993.2024-0430
Abstract:
Karst breccia is a special type of sedimentary rock with a unique diagenetic environment and characteristics. Especially the karst breccia located on the slope of the canyon bank, under favorable groundwater discharge conditions, the later karst process will further deteriorate the mechanical properties of the rock mass and affect the stability of the foundation and the overall stability of the bank slope. Therefore, the suitability evaluation of the foundation of canyon bank slope composed of karst breccia for super large bridges is particularly crucial and important, which determines the type and scale of bridge structure based on this in engineering construction. This article takes the bank slope of the Lishui Grand Bridge Canyon on the Zhangjiajie Huayuan Expressway as the engineering background, and the structural characteristics and karst development characteristics of karst breccia have been revealed through adits and drilling surveys. Through overall slope reliability analysis, it has been demonstrated that the probability of deformation and failure of the bank slope under design loads exceeds 20%. According to a comprehensive engineering geological analysis, the karst breccia on the Zhangjiajie shore is not suitable as the foundation for the suspension bridge tower. Thus, a geological decision was made to adjust the cable bent tower to a dolomite conglomerate with better mechanical properties. This research has ensured the completion and opening of the Lishui Extra Large Bridge and provided new important references for the survey and design of super large bridges crossing canyons.
Reinforcement effect of gravel filling in stepped site by dynamic consolidation
Wang Yong, Sheng Zhizhan, Liu Qingsong, Hu Gaowei
2025, 39(5): 731-736. doi: 10.20265/j.cnki.issn.1007-2993.2024-0478
Abstract:
The dynamic compaction method is widely used in coastal soft soil areas because of its convenient construction and low cost. In Beijing, affected by the heavy rainfall on July 31, 2023, some residential buildings in mountainous areas were seriously damaged by water. The newly built houses are two-story western-style houses with low bearing capacity demand. The project site is a terrace site at the front of the mountain. The dynamic compaction method was selected for foundation treatment, and the effect of dynamic compaction in the gravel-filled area was analyzed. Relying on the water-damaged reconstruction project of Yanhekou village, Zhaitang town, Mentougou District, the effect of dynamic compaction is simulated by using numerical calculation software. Combined with the actual engineering construction and testing data, the factors such as filling depth, rammer spacing, rammer size, and tamping times were analyzed, and the correction coefficient of dynamic compaction influence depth corresponding to the gravel filling stratum and the optimal location of tamping points in the stepped site were obtained. The numerical model calculation results are consistent with the field test results.
Experimental Research
Shear-slip test study of cantilever retaining wall structure on waterproof layer
Bu Chongpeng, Fan Yuchao, Wang Yonghua, Yang Lina, Luo Lijuan, Zhang Xiaohui, Wang Mingjiao
2025, 39(5): 737-743. doi: 10.20265/j.cnki.issn.1007-2993.2024-0232
Abstract:
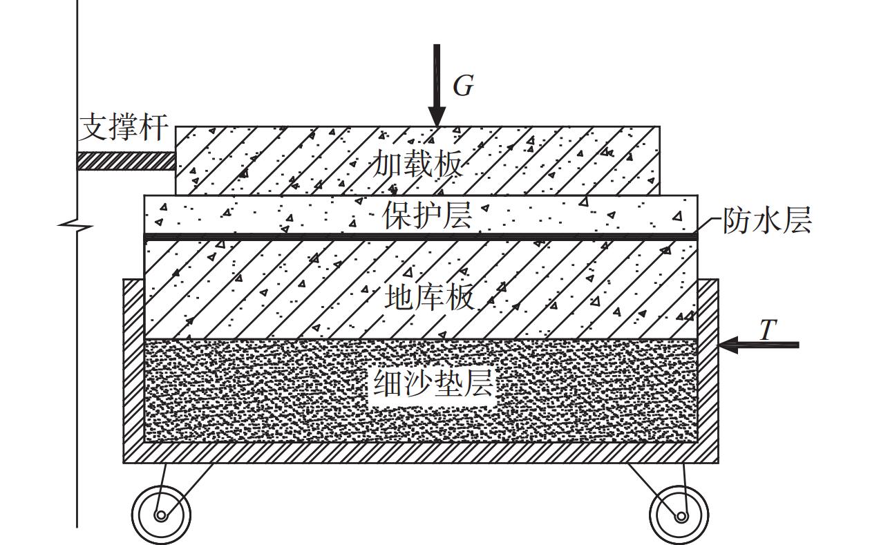
The anti-sliding bearing capacity, shear-slip failure characteristics, and mechanism of cantilever retaining walls placed on the protective layer of three waterproofing practices were studied through indoor large-scale shear tests and creep-stress relaxation coupled tests. Experimental results revealed that shear deformation, obvious deformation, and failure occur at the contact between the base plate of the cantilever retaining wall structure and the waterproof layer, and two forms mainly occur: slip failure and peeling failure. The shear deformation failure process of the cantilever retaining wall structure includes three stages: deformation, slippage, and peeling. The influence of different waterproof layers on the horizontal displacement and anti-slip bearing capacity of the upper retaining wall is obvious. The basement friction coefficient of the retaining wall on the waterproof layer is between 0.1 and 0.2, and compared with the conventional rock foundation retaining wall, the basement friction coefficient of the retaining wall is significantly smaller, and the horizontal displacement is large.
Interface bearing characteristics of reinforced fine soil of scrap tire grille under drawing load
Yue Hongya, Fang Yanhong, Wu Jiandong, Liu Yazhen, Wang Yuan, Yu Yang, Zhang Changyong
2025, 39(5): 744-751. doi: 10.20265/j.cnki.issn.1007-2993.2024-0289
Abstract:
Reinforcement materials were usually used in the structure to ensure the foundation's stability and improve the tensile strength of the soil. The scrap tire grille was proposed as a new material for foundation reinforcement based on tensile resistance and interface roughness. The influence of different overburden loads, packing compaction degree, tire strip width, and mesh size on the bearing capacity of reinforced tire silt was studied by drawing test. The results show that the bearing capacity of reinforced tire silt increases with the overlying load. The denser the fine-grained soil filler is, the greater the peak pulling force of the tire strip is. Strip width has the most obvious effect on the reinforcement effect of silt soil foundation. When strip width increases by 2 cm, the peak pulling force increases by nearly 50%. The bearing capacity decreases with the mesh size increases. The results show that the scrap tire grille can improve the bearing capacity of silt soil foundation effectively and enhance the tensile strength of soil. The research provides a reference for further theoretical research and technical application.
Test and numerical simulation on bearing performance of post-grouted rotary drilled piles
Ke Zundong, Zhang Shuhao, Wei Haitao, Cai Zhi, Luo Yi
2025, 39(5): 752-759. doi: 10.20265/j.cnki.issn.1007-2993.2024-0308
Abstract:
Post-grouting is a widely used pile foundation reinforcement technology in high-rise and large-span buildings. Many engineering practices have verified that this technology can effectively improve the bearing capacity of pile foundations. According to the construction needs of a project in Chengdu, Sichuan, two sets of static load tests were conducted on four post-grouting rotary drilled piles. Based on the test results, numerical simulations were used to study the stress and displacement distributions of the test piles under different grouting conditions, and the effects of the amount of grout injected into the pile side and pile end on the bearing capacity of the foundation were further investigated. The results show that the rotary drilled pile reinforced by post grouting technology has high bearing capacity and safety reserves. The side grouting of the pile mainly drives a larger range of rock mass on the pile side to participate in bearing the load through side resistance and the compression effect at the bottom of the grouting body, reducing the deformation and settlement of the pile body; Grouting at the pile tip can form a high-strength grouting body, improving the stress transmission state at the pile end, thereby preventing the rock mass at the pile end from yielding under compression and reducing its deformation; Changing the length of grouting at the pile side and the thickness of grouting at the pile end can affect the ultimate bearing capacity of the foundation, and the effect of the thickness at the pile end is more significant.
Influence of different drill pipe diameters on the blow count of SPT
Li Zhipeng, Li Hao, Long Tao, Luo Zhongxu, Wang Heping
2025, 39(5): 760-765. doi: 10.20265/j.cnki.issn.1007-2993.2024-0312
Abstract:
The ϕ50 drill pipe is increasingly being used in standard penetration tests. However, there is no clear guidance in the specifications on whether and how to convert the blow count N value of the standard penetration tests obtained by the ϕ50 drill pipe when distinguishing the characteristics of rock and soil engineering. A comparative study was conducted on standard penetration tests with different drill pipe diameters at a site in Zhanjiang City. Statistical analysis was conducted on the relevant data, and the results showed that there was a significant correlation between the blow count of standard penetration tests and the drill pipe diameter, and the ratio of blow counts between different drill pipe diameters was related to the soil type and test depth. The blow counts of the ϕ42 drill pipe in sandy soil formations is less than that of the ϕ50 drill pipe, with an overall ratio of 0.89. The ratio of the two at different depths ranges from 0.83 to 1.01. As the test depth increases, the ratio of the blow counts shows a trend of first increasing and then decreasing. The blow counts of the ϕ42 drill pipe in the cohesive soil layer is greater than that of the ϕ50 drill pipe, and the overall ratio of the two is 1.14. The ratio of the two at different depths is 1.11~1.20. As the test depth increases, the ratio of the blow counts remains basically unchanged. The research results can provide reference for regional experience accumulation and engineering practice.
Durability of HEPF fluid-solidified lightweight soil
Xie Tiansheng, Zheng Zhiming, Hao Dejun, Wang Jun, Yu Xinchen, Liu Yazhen, Zhang Xinyi
2025, 39(5): 766-774. doi: 10.20265/j.cnki.issn.1007-2993.2024-0399
Abstract:
To further improve the energy absorption and shock absorption effects of foam light soil and enhance engineering safety, a novel Highly Elastic Polymer Fiber (HEPF) fluid-solidified lightweight soil material was developed. A series of tests were conducted to analyze its water stability, impermeability, freeze-thaw resistance, and fatigue loading characteristics. The test results show that HEPF fluid-solidified light soil, containing high elastic polymer and fiber, offers significant advantages in improving water stability, water permeability resistance, and frost resistance compared to common foam light soil. When the content of high-elastic polymer is 10% and the fiber content is 0.2%, the water stability coefficient exceeds 0.98, the seepage pressure increases by 50% to 150% compared to the control group, and the frost resistance coefficient significantly improves. Additionally, the material demonstrated good durability and crack resistance in fatigue loading tests, effectively extending its service life. The research findings validate the superior performance of HEPF fluid-solidified light soil in engineering applications, confirming its good durability and environmental adaptability under harsh conditions, such as traffic loads and cyclic vibrations.
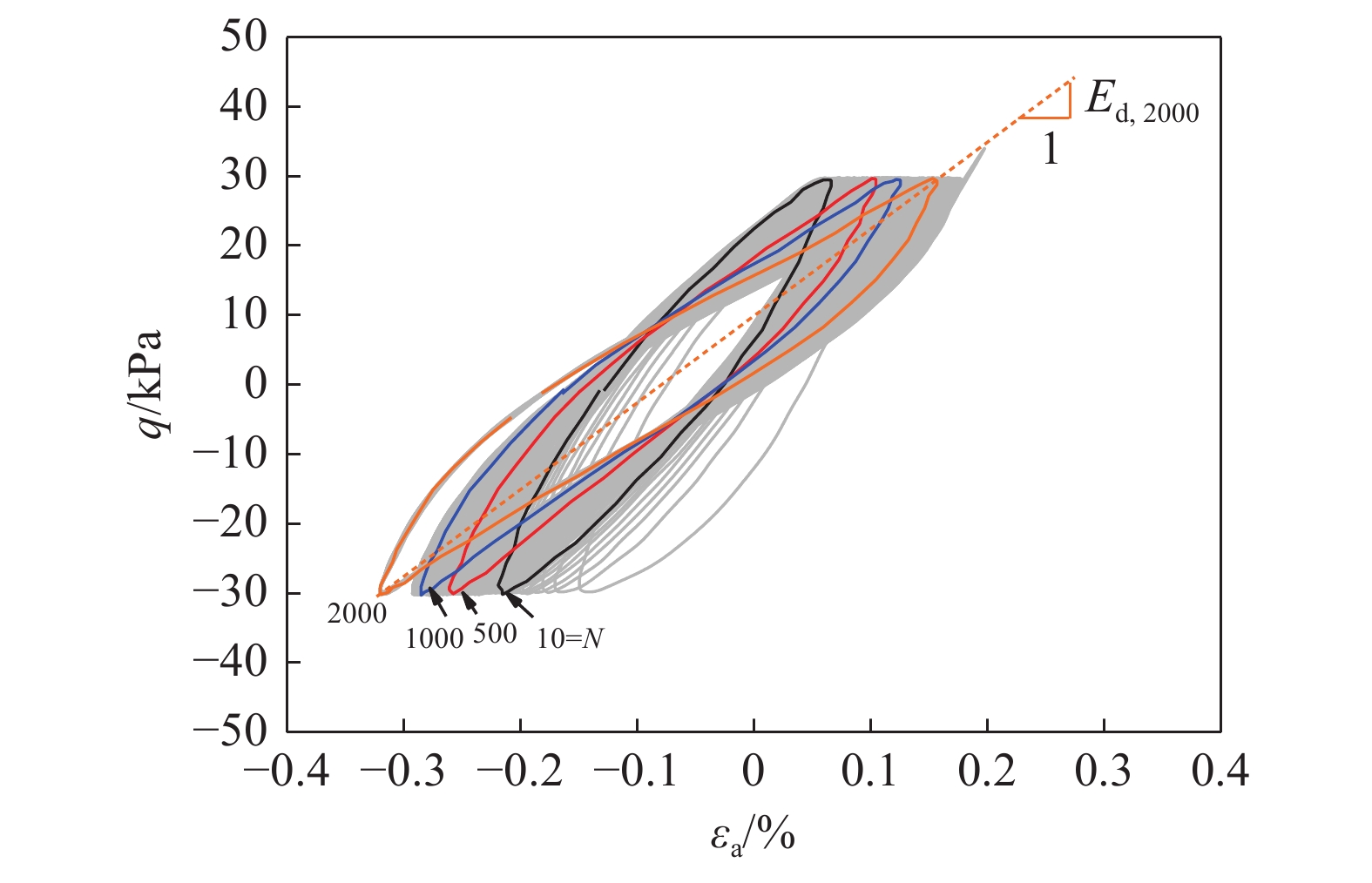
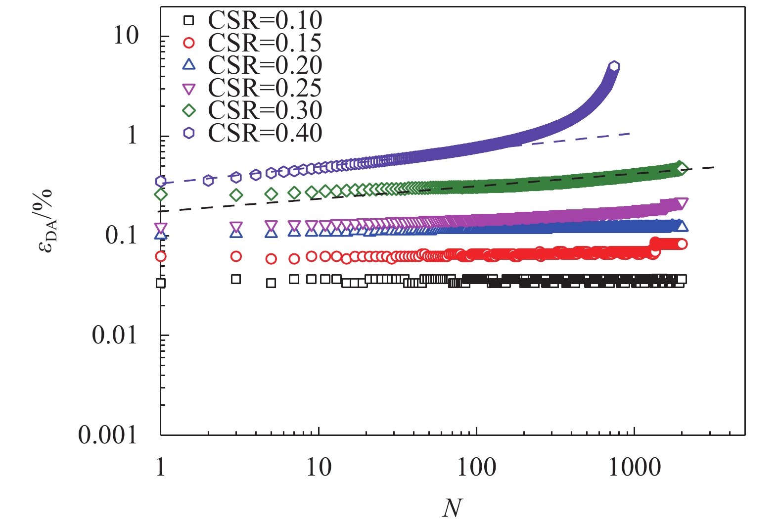
Stiffness degradation model of marine soft clay under cyclic loading
Zhou Kangjian, Xie Ming, Yuan Zhiying
2025, 39(5): 775-781. doi: 10.20265/j.cnki.issn.1007-2993.2024-0340
Abstract:
A series of cyclic triaxial tests were conducted on Zhoushan undrained marine soft clay with dynamic triaxial instrument to analyze the effects of cyclic loads such as wind and waves on the stiffness degradation characteristics of normally consolidated soft clay. The test results show that the weakening law of soil dynamic modulus closely correlates with CSR. Before the critical cyclic stress ratio CSR is reached, the double-amplitude axial strain $ \varepsilon\mathrm{_{DA}} $ increases linearly with the number of cycles. When the CSR is greater than the critical CSR, the stiffness of the sample degrades significantly with the increase of the number of cycles, so that the soil sample was destroyed. It was found that the influence of different confining pressures on the cyclic weakening of dynamic modulus was effectively captured by CSR. Based on the experimental rules, an empirical formula for soil stiffness variation with the number of cycles, cyclic stress amplitude and confining pressure was established. The stiffness attenuation model of marine soft clay was implemented in the numerical model by using ABAQUS subroutine USDFLD. The research results can provide a reference for the numerical simulation of the bearing performance of offshore wind turbines under long-term cyclic load conditions.
Effects of pore spacing and pore diameter on mechanical properties of sandstone with uniformly distributed pores
Zheng Sunhao, Qi Chengzhi
2025, 39(5): 782-790. doi: 10.20265/j.cnki.issn.1007-2993.2024-0402
Abstract:
To study the influence of pore spacing and pore diameter on the deformation and failure of rocks with uniformly distributed pores, a set of microscopic parameters was determined by using the indoor uniaxial compression test data of complete sandstone specimens and sandstone specimens with prefabricated single cracks and discrete element particle flow software simulation, and the uniaxial compression simulation test of sandstone specimens with uniformly distributed pores was carried out based on the microscopic parameters. The research results indicate that when the pore diameter is kept constant, the peak stress, crack initiation stress and elastic modulus of the specimen all show a decreasing trend with the decrease of pore spacing, and the failure form of the specimen changes from shear failure to splitting failure; when the pore spacing is kept constant, the peak stress, crack initiation stress and elastic modulus of the specimen show a decreasing trend with the increase of pore diameter, and the failure form of the specimen changes from splitting shear composite failure to shear failure; the failure of the specimen starts from the stress concentration around the pore, and finally, the cracks extend and penetrate due to the fracture of particle bonding. Notably, the tensile cracks of the specimen are significantly more than the shear cracks.