深埋长隧洞勘察是目前工程建设中遇到的世界级难题。基于我国重大调水工程发展历史及现状,分析重大调水工程深埋长隧洞建设中面临重大工程地质问题,主要包括:软岩变形、突(涌)水(泥)、高外水压力、岩爆、有毒有害气体等。针对当前深埋长隧洞勘察面临的理论、技术和环境制约条件,提出了做好前期勘察工作、通过方案比选尽可能规避地质风险、选择合适施工工法、提前做好地质风险处理预案、施工期做好超前地质预报、发现问题及时应对等对策与措施。
过江顶管由于施工作业面较小,江边堆填荷载较大,影响江堤稳定性,提前预测江堤位移对安全施工具有重要意义。通过自适应噪声的完备集合经验模态分解方法(CEEMDAN),将非线性非稳定性的监测数据分解为趋势项和周期项,提出一种适合于江堤变形的智能预测模型(CTG)。模型针对趋势项采用多项式函数预测;针对周期项,采用结合粒子群优化算法和时间卷积网络−门控循环单元混合模型的PSO-TCN-GRU算法进行预测。将算法应用于段塘顶管施工项目,结果表明该智能算法优于其他经典的神经网络预测方法,具有一定的推广价值,可为同类工程变形预测提供参考。另外,建议进行监测数据预测时先进行数据分解和特征提取,有利于改善模型预测结果。
对基坑开挖变形作出可靠预测有助于提高施工安全性。对现有自适应指数平滑法进行了改进,摒弃采用遍历法求解最优平滑系数α的传统思路,以均方误差(MSE)作为损失函数,推导了一次、二次和三次指数平滑模型的MSE对α的梯度表达式,进而采用梯度下降法求解最优α值。与原方法相比,改进方法在最优平滑模型选择及平滑系数优化方面展现出与原方法相当的性能,且在适当的超参数(尤其是学习率)设置情况下,寻优效率显著提升。在此基础上,基于1900组基坑变形序列的应用,较为系统地评估了改进自适应指数平滑法在基坑变形预测中的适用性和可靠性,并探讨了预测步长和训练序列长度对预测性能的影响,据此提出了基坑变形预测优化方案。
地层划分和土类识别是静力触探试验成果应用的基础。为了实现基于静力触探试验数据的地层准确分类,提出了一种基于极限梯度提升(eXtreme Gradient Boosting,XGBoost)和贝叶斯优化(Bayesian Optimization, BO)的静力触探土层分类预测方法。采用XGBoost方法,基于华南地区某岩土工程勘察项目的静力触探试验数据构建数据集,采用贝叶斯优化方法对XGBoost模型超参数进行优化,并构建了最优XGBoost模型对地层类别进行分类预测。所构建的XGBoost模型在训练集和测试集上的分类预测准确率分别为100%和96.46%。经过贝叶斯优化的支持向量机模型、K近邻模型和随机森林模型在测试集上的预测准确率分别为93.34%,92.99%和95.89%,均低于XGBoost模型的准确率,证明了XGBoost模型的地层分类预测性能的优越性。将所构建的XGBoost模型用于华南地区某岩土工程勘察项目的两个钻孔的地层分类预测,预测准确率均达到了95%以上,表明该模型对于实际岩土工程勘察实践中的静力触探地层分类工作具有可靠的应用价值。
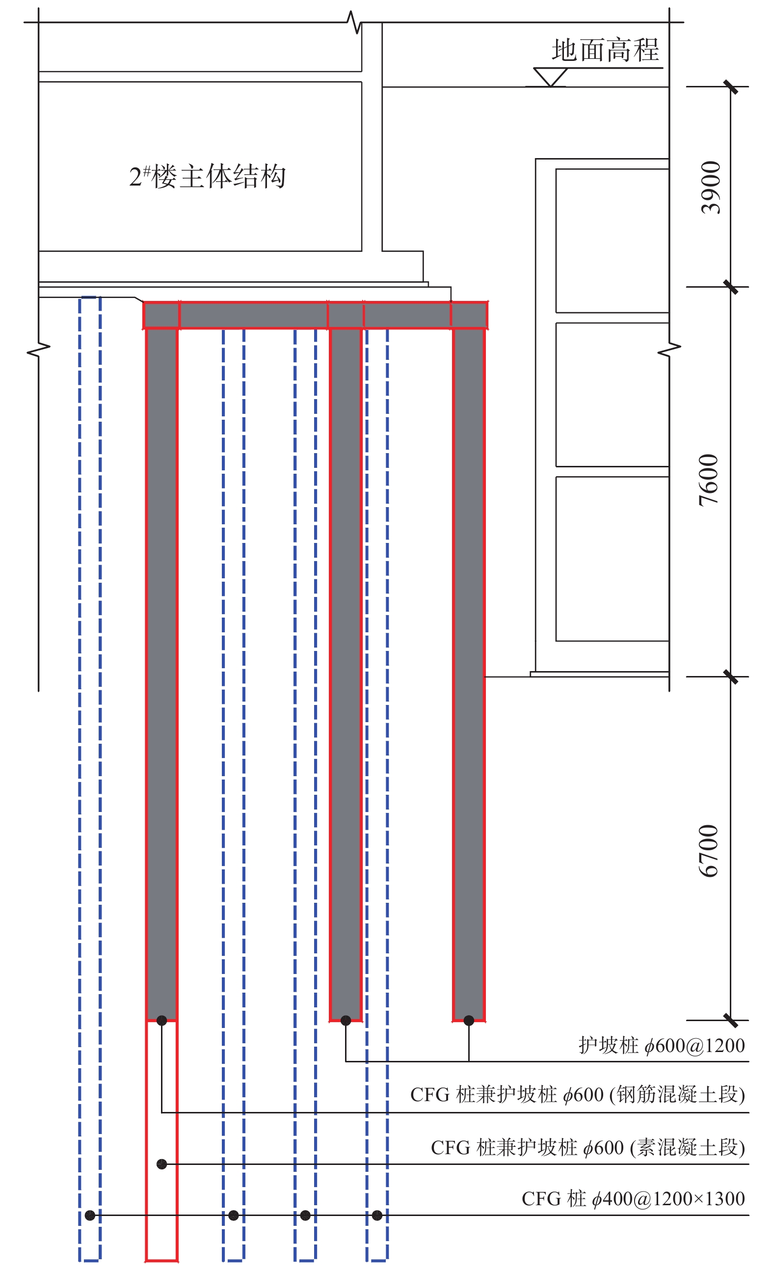
锚碇基坑的稳定性是影响悬索桥工程安全的主要控制因素。四川某特大悬索桥位于高烈度地震设防区,其锚碇基坑位于巨厚堆积体中,基坑边坡最大坡高达110 m。以该锚碇基坑工程为例,针对巨厚层堆积体上超百米深基坑的长期稳定性问题开展研究。采用原位密度试验、现场剪切试验及变形试验,研究基坑土体强度及变形特性,得出了基坑土体物理力学参数。应用有限差分软件对锚碇基坑进行地震三维模拟计算,结果表明在强震下深厚堆积体基坑极易诱发变形甚至滑移失稳破坏,坡体最大位移约20 m,坡体失稳范围厚度约15~23 m。据此,提出桥梁基坑防护两水准要求以及开挖预加固、分步开挖、分区防护的综合治理措施,在此基础上采用动力时程分析法进行基坑稳定性验算。结果表明,在输入30 s汶川地震波后加固后的坡体最大位移仅为0.223 m。基坑开挖支护完成后连续36个月的监测数据显示坡体最大位移量小于9.05 mm,与数值计算结果基本吻合,验证了加固措施和数值计算方法的有效性。
软土地区深基坑的支撑体系设计直接关系到项目的安全与效益。宁波软土地区某深大基坑支护设计中,水平支撑采用了直径180 m的超大圆环混凝土支撑,竖向支撑利用静钻根植桩作为立柱桩,实现了工厂预制。相比常规基坑支撑体系,该支撑体系可减小支撑覆盖面积达20%,在保证基坑安全的前提下,大幅降低支撑对施工作业的影响;同时,特殊立柱桩的应用极大降低了工程造价。数值模拟结果与工程实测结果的对比分析表明,三维有限元法可较为合理地预测超大直径圆环撑基坑的变形情况,并且超大直径圆环撑可满足软土地区深大基坑的变形控制要求。
贵阳某边坡工程受场地空间限制需直立开挖,因边坡上方邻近既有水厂建(构)筑物,需严格控制边坡变形,为此提出采用斜椅式桩锚支护体系。通过数值模拟分析了支护后边坡的稳定性、施工过程的位移控制以及支护结构的受力特征。结果表明,斜椅式桩锚支护体系受力合理、变形控制效果好。边坡监测结果显示,竣工后边坡各测点最大累计位移量均处于较小范围且趋于稳定,坡顶土体测斜曲线趋于收敛。东部水厂边坡工程竣工后运行状态良好,在满足场地空间的前提下,有效地保护了坡顶既有水厂的安全,所采用的斜椅式桩锚支护方案可供类似工程参考。
城市综合交通建设进程中,新建公路或地铁线路盾构隧道下穿既有铁路的交叉工程日益增多。以往研究采用数值模拟和现场监测等手段分析了盾构对铁路变形的影响规律,盾构隧道埋深一般不超过20 m。由于隧道施工时空效应,超过20 m埋深隧道下穿施工对铁路变形特征的影响尚不清晰。以武汉市某公路盾构隧道下穿京广铁路为例,采用自动化监测手段,分析了大埋深盾构隧道下穿施工对既有铁路轨道及路基沉降、接触网倾斜的影响规律。研究发现,针对大埋深盾构隧道下穿施工,铁路路基变形、轨道变形及接触网变形具有一定的滞后性。铁路轨道和路基沉降槽呈V型或U型,影响宽度约为75 m,明显大于普通浅埋盾构隧道。研究成果可为此类深埋盾构下穿工程施工提供数据支撑和参考。
结合某高层建筑软质岩嵌岩桩工程实例,对岩石单轴抗压强度试验、原位平板载荷试验、单桩静载荷试验3种方法确定的单桩竖向承载力结果进行对比分析。结果表明:平板载荷试验法确定的单桩竖向极限承载力标准值是岩石单轴抗压强度法的1.51倍,根据现行地方标准安全系数K的取值,平板载荷试验确定的单桩承载力特征值并未有所提高;单桩静载荷法得到的单桩承载力特征值是岩石单轴抗压强度法的3.12倍。根据分析结果,岩石单轴抗压强度法确定的单桩承载力偏于保守,建议考虑围压约束效应的影响;当采用岩基载荷试验法计算时,建议对重庆地方标准安全系数K的取值进行调整。
为探讨“钻孔灌注桩+旋喷桩”组合型结构在PBA隧道施工中的适用性,揭示其力学效应,依托北京轨道交通13号线东三路站—天通苑东站暗挖区间工程实例,针对承压富水地层中“钻孔桩+旋喷桩”组合型结构围护下的PBA隧道施工全过程进行了数值仿真,分析了关键施工步序下该组合型结构的内力、变形情况以及其施工过程对地表沉降和地层塑性区的影响,探讨了桩径、桩身插入比和桩间咬合量对其力学表现的影响。结果表明:(1)施作“钻孔桩+旋喷桩”组合型结构阶段对地表沉降槽和地层塑性区的影响不大;(2)“钻孔桩+旋喷桩”组合型结构在暗挖隧道施工中主要出现朝向隧道内侧的水平侧移,整体侧移量沿深度方向呈二次曲线形态,最大侧移出现在旋喷桩中部及钻孔灌注桩上部,底板以下侧移较小;(3)主洞开挖之后,钻孔灌注桩及旋喷桩的轴力较均匀地分布在整个主洞开挖临空段,轴力和弯矩值在底板以下急剧缩减,最大轴力及弯矩均位于底板附近。
随着经济的持续增长,部分现有隧道已难以满足当前的交通需求,为了确保交通的顺畅与安全,需合理地对隧道进行改扩建。基于ABAQUS有限元软件建立隧道围岩–衬砌三维模型,结合生死单元法模拟了某四联拱隧道扩挖为大断面双层隧道的开挖过程,得到每个步序下围岩的应力应变云图及衬砌塑性区分布特征,并将前后结果进行对比分析,确定了隧道结构的受力薄弱部位,对工程开挖过程中结构的力学行为表现进行预估。研究表明,本项目所采取的施工工序安全合理,隧道结构在力学行为上表现良好,工程的安全性和经济性得到了保障。
依托既有旦架哨隧道改扩建工程,基于隧道衬砌后缺陷实际分布规律,研究了不同围岩级别下衬砌背后空洞的分布位置和尺寸对结构爆破振动响应规律的影响。研究结果表明:不同分布位置、不同尺寸及不同围岩级别下衬砌后空洞对既有隧道衬砌振动响应的影响均不相同。从空洞分布位置分析,拱顶衬砌背后空洞对振速和应力的放大效应均大于拱腰空洞;从空洞分布尺寸分析,空洞越大,对振速的放大效应越大,而对应力的放大效应反之;从不同围岩级别下衬砌背后存在空洞时分析,围岩越差(围岩级别越大),空洞处对振速和应力的放大效应越显著。综合分析建议,实际工程中以振速作为新建隧道爆破施工过程中邻近空洞隧道的安全控制基准表征值时,应依据空洞出现的位置、大小及围岩情况适当降低空洞处振速控制值。
岩溶角砾岩是一种特殊的沉积岩,具有独特的成岩环境和成生特征,特别是位于峡谷岸坡的岩溶角砾岩,在有利的地下水排泄条件下,后期的岩溶作用会进一步劣化岩体的力学性质,从而影响地基稳定性和岸坡的整体稳定性。因此,工程建设中对岩溶角砾岩组成的峡谷岸坡作为特大型桥梁地基的适宜性进行评价尤为关键和重要。以张家界至花垣高速公路澧水特大桥工程为背景,通过开挖平硐和钻探相结合的手段对大桥所处的峡谷岸坡进行勘察,揭示了岩溶角砾岩的结构特征和岩溶发育特征;整体边坡可靠度分析表明,初拟索塔位在设计荷载作用下岸坡发生滑移变形破坏概率超过20%,不满足悬索桥结构对地基变形的严格要求;综合工程地质分析,认为张家界岸岩溶角砾岩不适宜作为悬索桥索塔地基,将索塔基础位置调整至力学性质较好的白云质砾岩,保证了澧水特大桥的建成通车。研究成果可为跨越峡谷的特大型桥梁的勘察设计提供参考。
强夯法处理地基施工便捷、成本低廉,大规模应用在沿海软土区域。北京受“7·31”特大降雨影响,部分山区居民住宅水毁严重,新建住宅为二层洋房,承载力需求较低,工程场地为山前台阶状场地,选择强夯法进行地基处理,并对碎石填土区域强夯加固效果进行分析。依托门头沟区斋堂镇沿河口村水毁重建项目,利用数值计算软件对强夯加固处理效果进行模拟,结合现场实际工程施工及检测资料,针对填土深度、夯锤间距、夯锤尺寸、夯击次数等因素进行分析,得出碎石填土地层对应的强夯影响深度修正系数以及台阶状场地夯点布置最佳位置,数值模型计算结果与现场检测结果吻合。
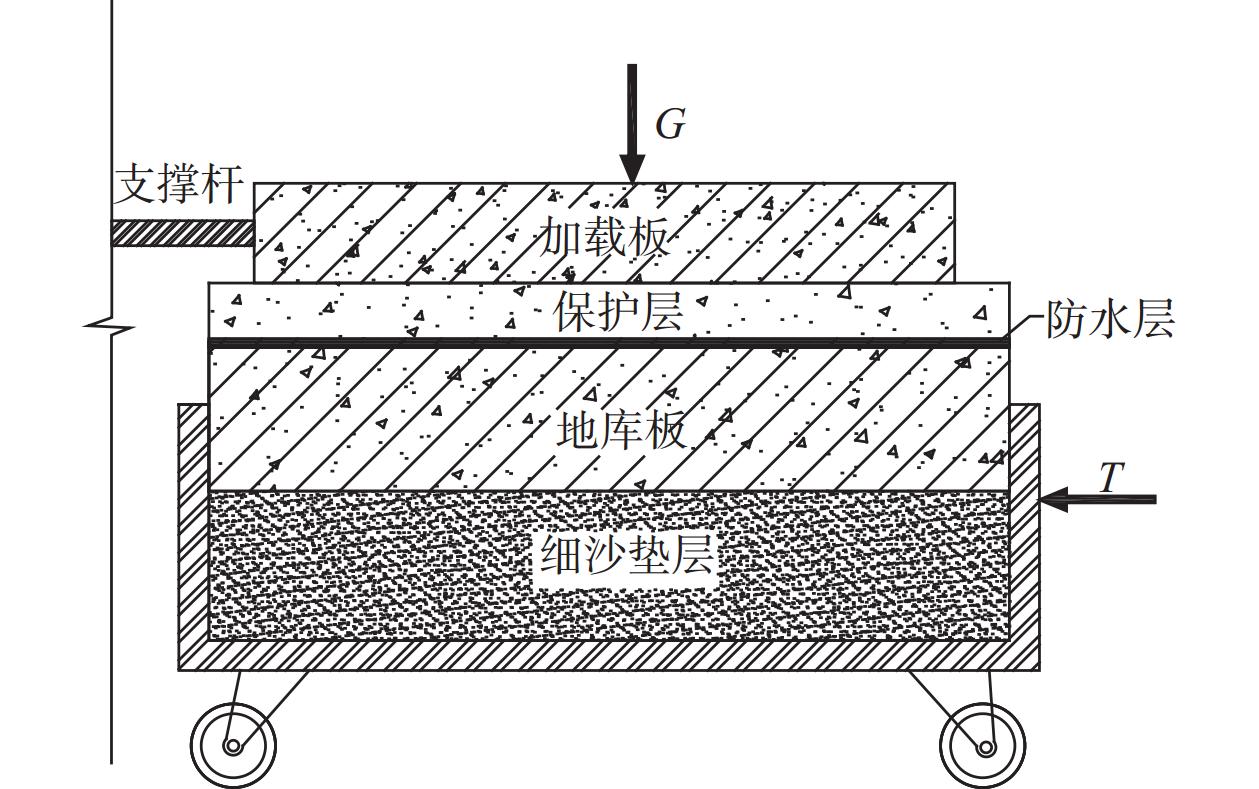
通过设置多组室内大型剪切试验、蠕变与应力松弛耦合试验,研究悬臂式挡墙置于三种防水做法保护层上的抗滑承载力、剪切滑移破坏特征及机理。试验结果表明:在剪切变形过程中,悬臂式挡墙结构底板与防水层接触处出现明显变形与破坏,其主要破坏形式为滑移破坏与剥离破坏;悬臂式挡墙结构的剪切变形破坏过程包含变形、滑移和剥离三个阶段;不同做法的防水层对上置挡土墙水平位移、抗滑承载力的影响存在明显差异;防水层上置挡土墙的基底摩擦系数主要介于0.1~0.2,与常规岩土地基挡土墙相比,挡墙的基底摩擦系数明显较小,相同荷载作用下水平位移较大。
为保证地基结构稳定性,提升土体抗拉强度,通常在地基中放置加筋材料。基于废旧轮胎良好的抗拉伸性与界面粗糙性,提出将废旧轮胎格栅作为地基加筋新材料。通过拉拔试验研究了不同上覆荷载、填料压实度、轮胎条带宽度、网孔尺寸等因素对废旧轮胎格栅加筋细粒土承载性能的影响。结果表明:轮胎条带加筋粉土的承载能力随上覆荷载的增大而提高,细粒土填料越密实轮胎条带峰值拉拔力越大,条带宽度对粉土地基加筋效果影响最明显,条带宽度增加2 cm,峰值拉拔力提高接近50%;轮胎格栅承载力随网孔尺寸的增大而逐渐减弱。研究结果证实废旧轮胎格栅可以有效提高细粒土地基的承载能力,增强土体的抗拉强度,并为进一步的理论研究和技术应用提供了参考。
后注浆钻孔灌注桩通过后注浆工艺显著提高基桩承载性能,近年来被广泛应用于高层、大跨度建筑。依托四川成都某项目,开展了2组共4根后注浆旋挖钻孔灌注桩的静载荷试验,根据试验结果采用数值模拟研究了不同注浆条件试桩的应力和位移分布,进一步研究了桩侧和桩端注浆量对基桩承载力的影响。研究结果表明:后注浆旋挖钻孔灌注桩拥有较高的承载能力和安全储备,桩侧注浆主要通过增强侧阻力并配合注浆体底部的挤压作用带动桩侧更大范围的岩、土体参与承担荷载,减小桩身变形和沉降;桩端注浆能够在桩端形成强度较高的胶结体,改善桩端应力传递状态,从而防止桩端岩、土体受压屈服并减小其变形;桩侧注浆长度和桩端注浆胶结厚度均能影响基桩极限承载力,后者的影响更为显著。
ϕ50钻杆越来越广泛地应用于标准贯入试验中,然而,在进行岩土体工程特性判别时,ϕ50钻杆得到的标贯击数N值是否需要换算以及如何换算,规范中未提供明确的指导。在湛江市某场地开展不同杆径标准贯入试验对比研究,对相关数据进行统计分析,结果表明:标贯击数的大小与杆径之间存在显著的相关关系,且不同杆径间标贯击数的比值与岩土类别、测试深度有关。砂土地层中ϕ42钻杆的标贯击数小于ϕ50钻杆,整体上二者比值为0.89,不同深度下二者比值为0.83~1.01,随着试验深度的增加,击数比值呈现先增加后减小的趋势;黏性土地层中ϕ42钻杆的标贯击数大于ϕ50钻杆,整体上二者比值为1.14,不同深度下二者比值为1.11~1.20,随着试验深度的增加,击数比值基本不变。研究成果可为地区经验积累和工程实践提供参考。
为进一步提高泡沫轻质土的吸能减震效果和工程安全性,制备了新型高弹聚合物纤维(Highly Elastic Polymers Fiber,简称HEPF)流态固化轻质土材料,并通过试验分析了其水稳定性、抗渗性、抗冻融性和疲劳加载特性。试验结果表明,掺入高弹聚合物和纤维的HEPF流态固化轻质土较普通泡沫轻质土在材料的水稳定性、抗水渗透性和抗冻性能方面表现出显著优势。当高弹聚合物掺量10%、纤维掺量0.2%时,材料的水稳定系数均达到0.98以上,渗水压力较对照组提升了50%~150%,抗冻性系数显著提高。此外,材料在疲劳加载试验中展现出良好的耐久性和抗裂性能,有效地延长了其使用寿命。研究结果验证了HEPF流态固化轻质土在工程应用中的优越性能,证明其在交通荷载循环振动等恶劣条件下,具有良好的耐久性和环境适应性。
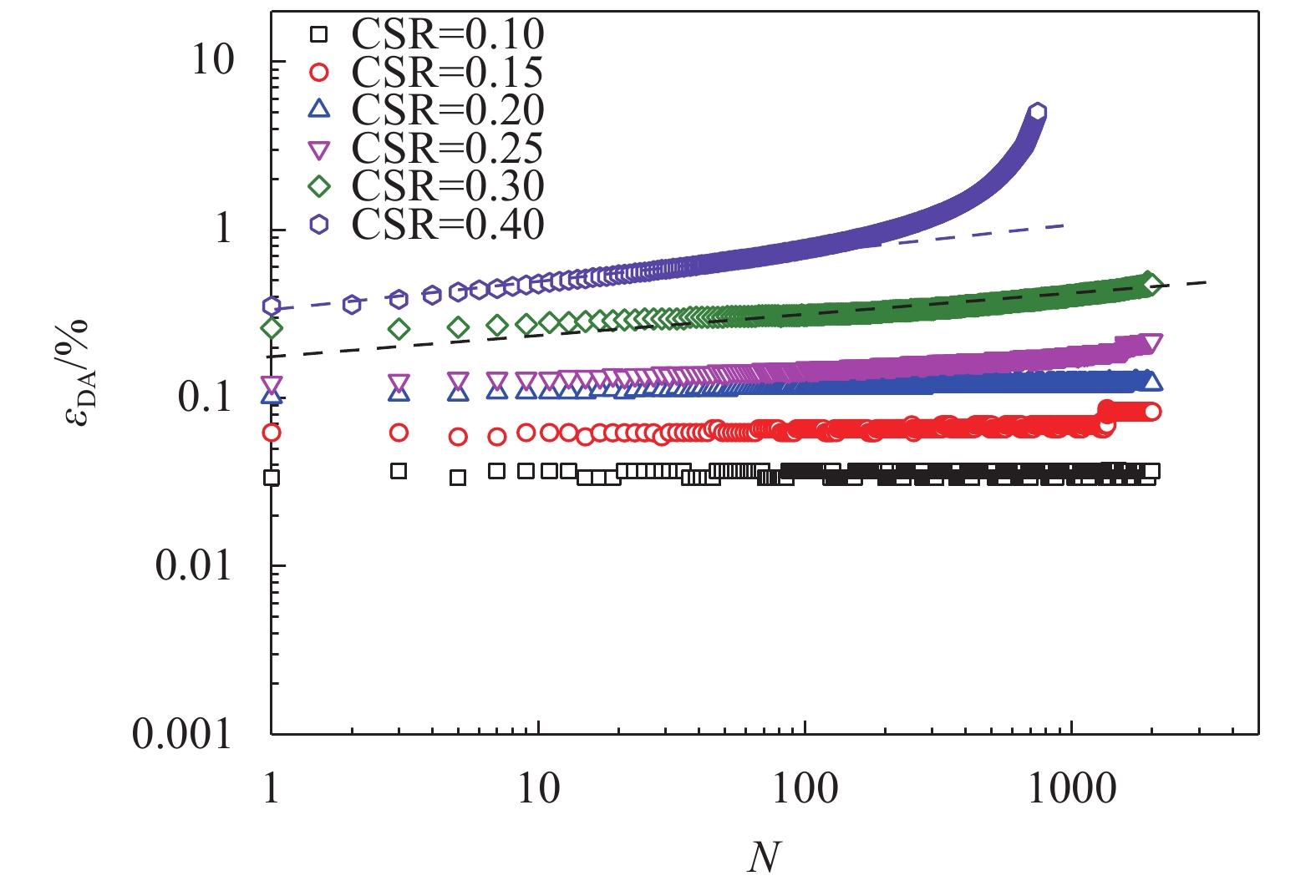
利用动三轴仪器对舟山原状海洋软黏土进行了一系列不排水条件下的循环三轴试验,分析风浪流等循环荷载作用对正常固结软黏土刚度弱化特性的影响。试验结果表明,土体动模量弱化规律与循环应力比(CSR)密切相关。在未达到临界CSR前,土样双幅轴向应变
为了研究孔洞间距和孔洞直径对于含均布孔洞岩石变形破坏的影响规律,基于完整砂岩试样和含有预制单一裂隙砂岩试样的室内单轴压缩试验数据,应用离散元颗粒流软件进行模拟,确定一组细观参数,并运用这组细观参数对含均布孔洞砂岩试样开展单轴压缩模拟试验。研究结果表明:当保持孔洞直径不变,随孔洞间距减小,试样的峰值应力、起裂应力和弹性模量均呈减小趋势,试样的破坏形式由剪切破坏逐渐变为劈裂破坏;当保持孔洞间距不变,随孔洞直径增大,试样的峰值应力、起裂应力和弹性模量呈减小趋势,试样破坏形式由劈裂剪切复合破坏转变为剪切破坏;试样加载破坏起于孔洞周围的应力集中,最终由于颗粒黏结断裂导致裂纹的扩展并贯通破坏,且试样的拉伸裂纹明显多于剪切裂纹。
将边坡稳定性分析的方法分为确定性分析方法(以瑞典圆弧法、简化Bishop法等为代表的极限平衡法和以有限元法、有限差分法等为代表的数值分析方法)和非确定性方法(可靠度法、模糊综合判断法、灰色系统法、人工智能法等),详述了各分析方法的原理、优缺点以及适用性,并对其中一些方法进行了比较分析,提出了岩土边坡系统稳定性评价的发展方向。
有限元软件数值模拟是现在从业人员分析敏感环境下基坑工程的重要手段,选择合适的本构模型是其关键。为了解工程中常用的三种土的本构模型适宜性,运用三维有限元软件Midas GTS NX模拟了某大型深基坑开挖过程,将采用不同本构模型的数值模拟结果与基坑监测结果进行对比,进而分析本构模型的适用性。可为本区类似工程进行有限元数值模拟分析时提供参考和借鉴。
BIM技术具有三维可视化、碰撞检测、工程信息管理等众多特点,极大地提升了工程质量与效率,在建筑领域得到迅猛发展,然而在岩土工程中因为收费机制、软件功能限制、应用局限性等原因导致其发展的严重滞后。随着设计可视化、信息化发展进程,BIM也将在岩土中得到立足。对BIM在岩土中的应用现状进行了剖析,并对发展前景展望。以武汉亚洲医院基坑项目为依托,进行了BIM的完整实施,探讨了模型建立方式与施工应用方法,对今后BIM在岩土工程中的应用推广具有一定指导意义。
探讨了BIM在岩土工程勘察领域应用的可行性,根据多年的研究和工程实践,提出了BIM技术应用于岩土工程勘察领域的目标、实现途径和分阶段的解决方案。
上海市城市道路发生的地面塌陷主要原因为浅部砂层分布区域地下排水管线渗漏引发流砂,导致地下土体流失,地表硬壳层承载力下降。将有限元和离散元二者进行耦合,从管线渗漏位置和对邻近管线影响两个方面诱发地下空洞机理进行数值模拟研究。研究结果表明,管道表面顶部局部渗漏引起地表以下土体流失量最大,底部渗漏造成的影响范围较小;管道断裂渗漏引起的地面塌陷范围比管道局部渗漏大得多,但深度较管道顶部局部渗漏引起的塌陷深度小;邻近管道埋深越大,地表以下土体流失量越大,引起塌陷影响区域范围越大,而埋深较浅时,其所受邻近渗漏管道的影响较大;在对地面塌陷进行监测与预防时,不应仅关注地表沉降变形,关注管道周边的土体变形是一种更加及时有效的方法。
黄土丘陵沟壑区高填方工程的地形地貌和地质环境复杂,场地内常分布有大面积湿陷性黄土和淤积土,且具有土方量大、影响因素多、施工工期紧、沉降控制要求高等特点,建设过程面临着填方体的稳定、变形、排水、湿化变形控制及边坡防护等问题。以国内几处典型黄土高填方工程为例,介绍了通过场地综合地质条件评价、土方平衡优化、地下盲沟排水、原地基强夯加固处理、填筑体压(夯)实处理、填挖边坡防护处理、施工质量立体式监控、岩土工程全程监测等多种手段有效组合,解决黄土高填方工程问题的实践工作,相关经验可供类似工程借鉴。
总结分析了建筑工程肥槽回填土质量不良引发的常见工程问题,以及肥槽回填土不易施工密实的几个主要原因,并总结提出了各种肥槽回填土处理方法,以及它们主要的适用条件。
结合北京市密云区古北口村文物建筑群工程实例介绍了三维激光扫描技术、BIM(建筑信息模型)在古建筑测绘中的应用。通过对比传统测绘方法,证明其在测绘及文物保护方面应用的优势。
针对珠海地区的深厚软基,采用真空联合堆载预压法进行加固处理。在施工过程中对软基的地表沉降、膜下真空度、孔隙水压力、深层水平位移等进行监测,得到了真空预压加固软土地基的随时间变化曲线。软基处理完成后对原状土进行原位十字板剪切试验和载荷试验,并取土进行室内土工试验。监测和检测试验分析表明:加固后土的物理力学性质有了明显提高,地基加固效果较好,其影响深度达到25~30 m,在15~20 m范围内加固效果最为显著; 但真空预压并未改变软土的触变性,加固后的软土仍应避免扰动。
为了研究邕江北岸Ⅱ级阶地地区浅埋大断面(6.9 m×4.9 m)矩形顶管在复杂环境下长距离掘进过程中的地表沉降规律及控制措施,依托南宁地铁1号线金湖广场站Ⅲ号出入口工程,采用三维有限差分软件FLAC3D模拟顶管施工过程,并与实际监测结果作对比验证,结果表明:①在顶进过程中顶管机前方土体的主要扰动范围为两倍洞宽;②地表横向沉降曲线以顶管轴线为中心呈正态分布,地表沉降的横向影响范围为三倍洞宽;③通过顶管机头上抬、加设注浆套板、管节减摩注浆以及合理的顶进参数,确保地表隆起和沉降量均在合理控制的范围内。
目前大部分岩土工程勘察企业使用的是传统原位测试手段。为了梳理、归纳岩土原位测试技术的最新进展,从变形特性试验、抗剪强度试验、渗透试验和触探试验等四个方面,将20世纪90年代至今岩土原位测试技术与设备的最新研究进展进行系统性综述。当前的原位测试技术具备自动化、信息化、多功能化和技术升级等四大特征,但仍然存在测试成本高、理论基础薄弱、试验自身局限和进展缓慢等问题。根据实际问题从加强理论基础、信息化和多功能设备的研发、拓展研究区域等方面提出展望。
系统总结了应用于工程勘察领域的各项钻探技术,包括取土器及取心钻具、原位测试技术、高效钻探取心(样)技术及联合勘察技术等,对其特点进行梳理并作对比分析,对其存在的问题提出解决建议。建议进一步优化钻探工艺,并使与之配套的钻具实现模块化、智能化研发升级,促进不同类型钻探技术的交叉融合,以及钻探技术与物探、遥感等多学科技术的联合应用,为工程勘察工作的进一步高效开展奠定基础。
1987年创刊, 双月刊
主管单位:中国兵器工业集团有限公司
中兵勘察设计研究院有限公司
国际刊号:1007-2993
国内刊号:11-3813/TU
电 话:010-83117072 / 010-83196888
传 真:(010)83117582
